This website requires JavaScript.
Explore
Help
Sign In
alexey.zholtikov
/
mozc-devices
Watch
1
Star
0
Fork
0
You've already forked mozc-devices
mirror of
https://github.com/google/mozc-devices.git
synced
2025-11-08 16:53:28 +03:00
Code
Issues
Packages
Projects
Releases
Wiki
Activity
Files
4b1db14aefb67cc274dcae913d4ffef4f4453949
mozc-devices
/
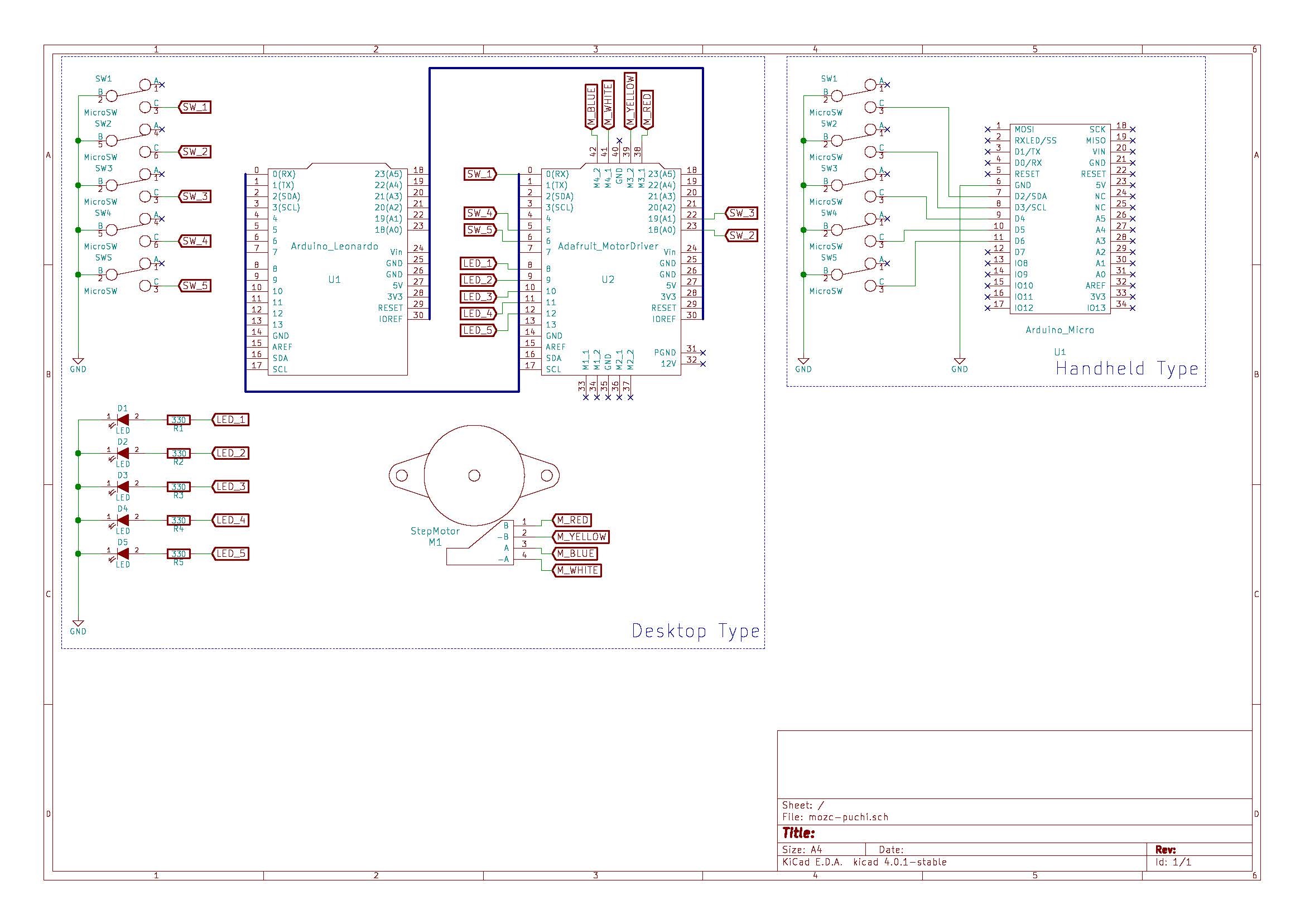
third_party
/
mozc-puchi
/
circuit
/
circuit.jpg
RT Corp
4accfa70d0
Add puchi-puchi version.
2017-04-01 00:02:41 +09:00
515 KiB
Raw
History