This website requires JavaScript.
Explore
Help
Sign In
alexey.zholtikov
/
upm
Watch
1
Star
0
Fork
0
You've already forked upm
mirror of
https://github.com/eclipse/upm.git
synced
2025-11-04 17:14:54 +03:00
Code
Issues
Actions
Packages
Projects
Releases
Wiki
Activity
Files
23c137467dbfb0f521aebd4da3df936a29a23469
upm
/
docs
/
images
/
1wire.png
Mihai Tudor Panu
92349997e4
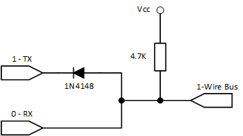
docs: added 1-Wire section to known limitations list
...
Signed-off-by: Mihai Tudor Panu <
mihai.tudor.panu@intel.com
>
2016-10-31 13:23:47 -07:00
3.5 KiB
349x196px
Raw
History